南宁新茶嫩茶wx600

您們好,接待室惠臨樂清市春虹光電無窮品牌
樂清市春虹電商美好平臺

泉源廠家, 撐持定制,知心折務,雙贏將來

九州熱情接待咨詢熱線: 0577-61316969
接洽咱們
樂清市春虹電子無限公司
征詢熱線:18968817571
公司德律風:0577-61316969
公司地點:浙江省樂清市虹橋鎮模具中間二區D棟

帶燈輕觸開關選春虹

天下無雙洽談德律風: 0577-61316969

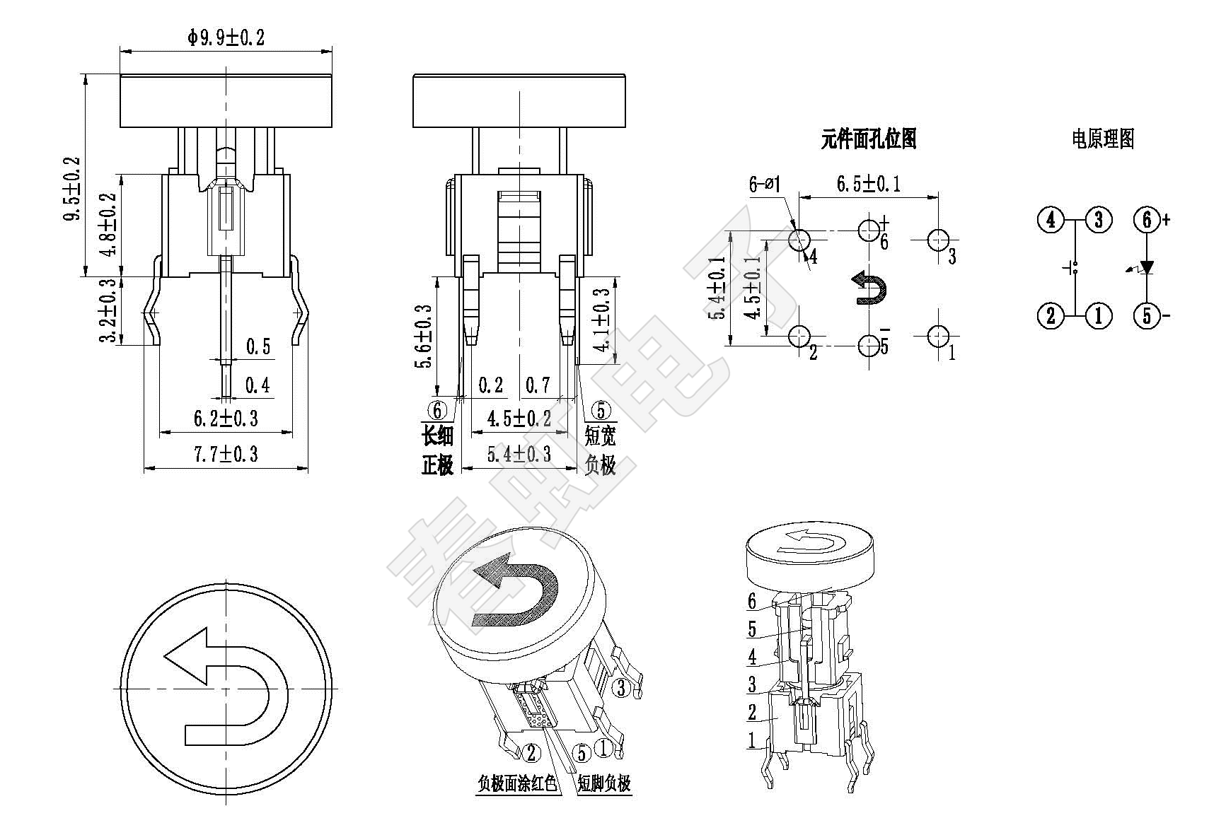
型號:KFCA0647-9.5H

天氣預告等級: -25°C至75°C加倍值: 30V DC,30mA實戰電阻值: ≤0.05Ω耐交流電壓: 250V AC隔熱熱敏電阻: ≥100MΩ舉動力: 260gf±50gf/160gf±50gf蓄電量: 10W times鹽霧實驗英文: 12±1 hours燈色:紅/藍/綠/白/紅藍白/紅綠等絨帽工藝設備等級分類:天性/黑漆/銀漆/




產物概況

0647-4.png

創春虹品牌形象、爭當標桿團隊協作、標桿思想道德、標桿商家
0577-61316969